Cerca
Filters
Close

WEO12864W#JP3N00002-FC

PMOLED 2.42" Graphic 128x64, White color, COG + PCB, 3V, Interface SPI, Frame, Glare

DESCRIPTION

The COG OLED 128x64 is one of the most popular resolutions. The Winstar 2.42" graphic display OLED 128x64 module is built-in with SSD1309 IC and it supports hardware command "Segment Remap" and "COM Output Scan Direction" mode.  This display is OLED COG structure but with a PCB on module which made it more easily to fix on customer's application.

 

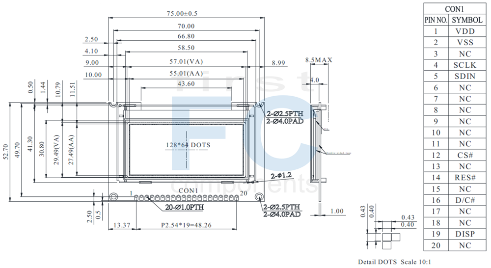
DRAWING

SPECIFICATIONS

General Specification

ItemDimensionUnit
Dot Matrix 128 x 64 -
Module Dimension 75.0 x 52.7 x 8.5 mm
Active Area 55.01 x 27.29 mm
Pixel Size 0.40 x 0.40 mm
Pixel Pitch 0.43 x 0.43 mm
Display Mode Passive Matrix
Display Color Monochrome (White)
Drive Duty 1/64 Duty

 

Interface Pin Function

Pin No.SymbolDescription
1 VDD Power supply pin for corelogic operation.
2 VSS Ground
3 NC No connection
4 SCLK Serial clock input
5 SDIN Serial data input
6 NC No connection
7 NC No connection. This pin can ben connected to VSS.
8 NC No connection. This pin can ben connected to VSS.
9 NC No connection. This pin can ben connected to VSS.
10 NC No connection. This pin can ben connected to VSS.
11 NC No connection. This pin can ben connected to VSS.
12 CS# This pin is the chip select inout connecting to the MCU.
This chip is enabled for MCU communication only when CS# is pulled LOW (active LOW).
13 NC No Connection
14 RES# This pin is reset signal inoput.
When the pin is pulled LOW, initialization of the chip is executed.
Keep this pin pull HIGH during normal operation.
15 NC No connection. This pin can ben connected to VSS.
16 D/C# This pin is Data/Command control pin connecting to the MCU.
17 NC No connection. This pin can ben connected to VSS.
18 NC No connection
19 DISP Display off whrn it's pulled low. Display on when it's pulle high.
20 NC No connection

 

Absolute Maximum Ratings

ItemSymbolMinMaxUnit
Supply Voltage for Logic VDD -0.3 4 V
Operating Temperature TOP -40 +80 °C
Storage Temperature TSTG -40 +80 °C

 

Electrical Characteristics

ItemSymbolConditionMinTypMaxUnit
Supply Voltage for Logic VDD - 2.8 3.0 3.3 V
High Level Input VIH - 0.8xVDD - - V
Low Level Input VIL - - - 0.2xVDD V
High Level Output VOH - 0.9xVDD - - V
Low Level Output VOL - - - 0.1xVDD V
50% Check Board operating Current IDD VDD=3.0V 120 135 145 mA

 

SKU: WEO12864W#JP3N00002-FC
Brand: Winstar
Disponibile: Si
Kit Accessori
Prezzi per quantità
Quantità
1+
5+
10+
Prezzo
€25,30
€20,20
€19,50

Per quantita’ maggiori di 25pz prego invii la richiesta a [email protected] o chiami il +39 0332 1888005

€25,30 IVA esclusa

DESCRIPTION

The COG OLED 128x64 is one of the most popular resolutions. The Winstar 2.42" graphic display OLED 128x64 module is built-in with SSD1309 IC and it supports hardware command "Segment Remap" and "COM Output Scan Direction" mode.  This display is OLED COG structure but with a PCB on module which made it more easily to fix on customer's application.

 

DRAWING

SPECIFICATIONS

General Specification

ItemDimensionUnit
Dot Matrix 128 x 64 -
Module Dimension 75.0 x 52.7 x 8.5 mm
Active Area 55.01 x 27.29 mm
Pixel Size 0.40 x 0.40 mm
Pixel Pitch 0.43 x 0.43 mm
Display Mode Passive Matrix
Display Color Monochrome (White)
Drive Duty 1/64 Duty

 

Interface Pin Function

Pin No.SymbolDescription
1 VDD Power supply pin for corelogic operation.
2 VSS Ground
3 NC No connection
4 SCLK Serial clock input
5 SDIN Serial data input
6 NC No connection
7 NC No connection. This pin can ben connected to VSS.
8 NC No connection. This pin can ben connected to VSS.
9 NC No connection. This pin can ben connected to VSS.
10 NC No connection. This pin can ben connected to VSS.
11 NC No connection. This pin can ben connected to VSS.
12 CS# This pin is the chip select inout connecting to the MCU.
This chip is enabled for MCU communication only when CS# is pulled LOW (active LOW).
13 NC No Connection
14 RES# This pin is reset signal inoput.
When the pin is pulled LOW, initialization of the chip is executed.
Keep this pin pull HIGH during normal operation.
15 NC No connection. This pin can ben connected to VSS.
16 D/C# This pin is Data/Command control pin connecting to the MCU.
17 NC No connection. This pin can ben connected to VSS.
18 NC No connection
19 DISP Display off whrn it's pulled low. Display on when it's pulle high.
20 NC No connection

 

Absolute Maximum Ratings

ItemSymbolMinMaxUnit
Supply Voltage for Logic VDD -0.3 4 V
Operating Temperature TOP -40 +80 °C
Storage Temperature TSTG -40 +80 °C

 

Electrical Characteristics

ItemSymbolConditionMinTypMaxUnit
Supply Voltage for Logic VDD - 2.8 3.0 3.3 V
High Level Input VIH - 0.8xVDD - - V
Low Level Input VIL - - - 0.2xVDD V
High Level Output VOH - 0.9xVDD - - V
Low Level Output VOL - - - 0.1xVDD V
50% Check Board operating Current IDD VDD=3.0V 120 135 145 mA

 

Specifiche di prodotto
Brand Winstar
Size 2.42"
Risoluzione 128x64
Area Attiva (mm) 55.01x27.49
Dot Size 0.40x0.40
Polarizzatore Glare
Colore White
Alimentazione 3V
Interfaccia Display SPI
Display IC SSD1309Z
Struttura Costruttiva COG + PCB
Frame Yes
Touch Panel No touch
Temperatura O. (°C) -40~80
Connessione Display Soldering PAD
Nr. Pin 20
Passo Pin 2.54mm
Preferred - Not Preferred Not Preferred
Download
Specifiche di prodotto
Brand Winstar
Size 2.42"
Risoluzione 128x64
Area Attiva (mm) 55.01x27.49
Dot Size 0.40x0.40
Polarizzatore Glare
Colore White
Alimentazione 3V
Interfaccia Display SPI
Display IC SSD1309Z
Struttura Costruttiva COG + PCB
Frame Yes
Touch Panel No touch
Temperatura O. (°C) -40~80
Connessione Display Soldering PAD
Nr. Pin 20
Passo Pin 2.54mm
Preferred - Not Preferred Not Preferred