Cerca
Filters
Close

WFN0128DA2#0P0-FC

TFT 1.28" 240x240, Round LCD Panel, Interface MCU (RGB/Parallel/SPI) IC GC9A01, Wide View Angle (IPS), 500cd/m², No touch

DESCRIPTION

The WFN0128DA2#0P0-FC is a compact 1.28-inch round TFT LCD module featuring a wide-view IPS panel and 240x240 high resolution. It is ideal for end products requiring round UI design, such as smart home controllers, wearable devices, and industrial control knobs.

This module integrates the GC9A01 driver IC and supports multiple display interfaces, including 8/9/16/18-bit MCU, 3/4-wire SPI serial interface, and 16/18-bit RGB, enabling flexible integration with various host platforms. The panel brightness reaches 500 cd/m², with a contrast ratio of 700:1, operating temperature range from -20°C to +70°C, and an LED lifetime of 50,000 hours, providing excellent display performance and long-term reliability.

Recommended Application Areas:

  • Smart Home: smart switches, voice assistant displays, lighting control panels
  • HVAC and Appliance Control: home thermostats, air conditioning controllers
  • Industrial Equipment: round control panels, rotary control modules
  • Medical and Wearable Devices: handheld diagnostic tools, health monitoring bands, sports watches
  • Automotive and Instrument Interfaces: electronic dials, auxiliary instrument clusters, rotary displays
  • Audio and Consumer Devices: digital tuners, audio rotary displays, Hi-Fi audio control interfaces

 

DRAWING

SPECIFICATIONS

General Specifications

ItemDimensionUnit
Size 1.28 inch
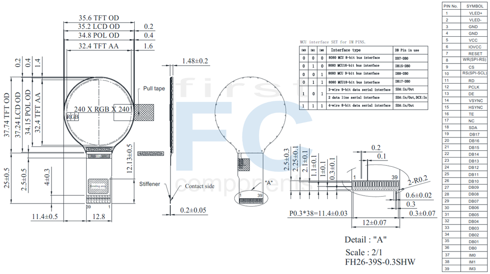
Dot Matrix 240 × RGB × 240 (TFT) dots
Module dimension 35.6 × 37.74 × 1.48 mm
Active Area 32.4 × 32.4 mm
Pixel Pitch 0.135 × 0.135 mm
LCD type TFT, Normally Black, Transmissive
Viewing Angle 85/85/85/85
TFT Interface 8/9/16/18bit MCU
3/4SPI+16/18BIT RGB
3/4 Serial
Backlight Type LED, Normally White
Driver IC GC9A01
Touch Panel Without Touch Panel
Surface Anti-Glare

 

Absolute Maximum Ratings

ItemSymbolMinTypMaxUnit
Operating Temperature TOP -20 +70
Storage Temperature TST -30 +80

 

Electrical Characteristics

Operating conditions

ItemSymbolMin.Typ.Max.Unit
Digital Supply Voltage VCC 2.5 2.8 3.3 V
Digital interface supple Voltage IOVCC 1.65 2.8 3.3 V
Normal mode Current consumption ICC -- 6 12 mA
Level input voltage VIH 0.7*IOVCC -- IOVCC V
VIL GND -- 0.3*IOVCC V
Level output voltage VOH 0.8*IOVCC -- IOVCC V
VOL GND -- 0.2*IOVCC V
 

LED driving conditions

ItemSymbolMin.Typ.Max.Unit
LED current - - 40 - mA
LED voltage VLED+ 2.8 3.0 3.2 V
LED Life Time - 50000 - - Hr

 

Interface

LCM PIN Definition

Pin NoSymbolFunctionI/O
1 VLED+ Anode pin of backlight P
2 VLED* Cathode pin of backlight P
3 GND Ground. P
4 GND Ground. P
5 VCC Supply voltage (2.5-3.3V). P
6 IOVCC Supply voltage (1.65-3.3V). P
7 RESET This signal will reset the device and must be applied to properly
initialize the chip.
I
8 WR(SPI-RS) -Write enable in MCU parallel interface.
Display data/command selection pin in 4-line serial interface.
Second Data lane in 2 data lane serial interface.
-If not used, please fix this pin at IOVCC or GND.
I
9 CS Chip select input pin (“Low” enable ,CSX).
Fix this pin at IOVCC or GND when not in use.
I
10 RS(SPI-SCL) -Display data/command selection pin in parallel interface.(D/CX)
-This pin is used to be serial interface clock. (SCL)
DC=’1’: display data or parameter.
DC=’0’: command data.
-If not used, please fix this pin at IOVCC or GND.
I
11 RD Serves as a read signal and MCU read data at the rising edge.
Fix this pin at IOVCC or GND when not in use.
I
12 PCLK Dot clock signal for RGB interface operation. (DOTCLK)
Fix this pin at IOVCC or GND when not in use.
I
13 DE Data enable signal for RGB interface operation. (ENABLE)
fix this pin at IOVCC or GND when not in use.
I
14 VSYNC Frame synchronizing signal for RGB interface operation.
fix this pin at IOVCC or GND when not in use.
I
15 HSYNC Line synchronizing signal for RGB interface operation.
fix this pin at IOVCC or GND when not in use.
I
16 TE Tearing effect output pin to synchronize MPU to frame writing,
activated by S/W command. When this pin is not activated, this pin is low. If not used, open this pin.
I
17 NC No connection O
18 SDA The data is latched on the rising edge of the SCL signal.
If not used, please fix this pin at IOVCC or GND level
I/O
19-36 DB17-DB0 18-bit parallel bi-directional data bus for MCU system and RGB interface mode .
18-bit RGB
DB0:BLUE LSB--DB5:BLUE MSB;
DB6:GREEN LSB--DB11:GREEN,MSB;
DB12:RED LSB--DB17:RED MSB.
16-bit RGB:
DB1:BLUE LSB--DB5:BLUE MSB;
DB6:GREEN LSB--DB11:GREEN,MSB;
DB13:RED LSB--DB17:RED MSB.
mode Fix to GND level when not in use
I/O
37 IM0 MPU Parallel interface bus and serial interface select If use RGB Interface must select serial interface.
Fix this pin at IOVCC and GND.
I
38 IM1
39 IM3
 

MCU interface SET for IM PINS

IM3IM1IM0Interface TypeDB Pin in use
L L L 8080 MCU 8-bit bus interface DB7-DB0
L H L 8080 MCU 16-bit bus interface DB15- DB0
L L H 8080 MCU 9-bit bus interface DB8- DB0
L H H 8080 MCU 18-bit bus interface DB17- DB0
H L H 3-wire 9-bit data serial interface SDA:In/Out
2 data line serial interface SDA:In/Out,DCX:In
H H H 4-wire 8-bit data serial interface SDA:In/Out
SKU: WFN0128DA2#0P0-FC
Brand: Winstar
Disponibile: Si
Prezzi per quantità
Quantità
1+
5+
10+
25+
Prezzo
€13,70
€10,00
€7,70
€7,40

Per quantita’ maggiori di 25pz prego invii la richiesta a [email protected] o chiami il +39 0332 1888005

€13,70 IVA esclusa

DESCRIPTION

The WFN0128DA2#0P0-FC is a compact 1.28-inch round TFT LCD module featuring a wide-view IPS panel and 240x240 high resolution. It is ideal for end products requiring round UI design, such as smart home controllers, wearable devices, and industrial control knobs.

This module integrates the GC9A01 driver IC and supports multiple display interfaces, including 8/9/16/18-bit MCU, 3/4-wire SPI serial interface, and 16/18-bit RGB, enabling flexible integration with various host platforms. The panel brightness reaches 500 cd/m², with a contrast ratio of 700:1, operating temperature range from -20°C to +70°C, and an LED lifetime of 50,000 hours, providing excellent display performance and long-term reliability.

Recommended Application Areas:

  • Smart Home: smart switches, voice assistant displays, lighting control panels
  • HVAC and Appliance Control: home thermostats, air conditioning controllers
  • Industrial Equipment: round control panels, rotary control modules
  • Medical and Wearable Devices: handheld diagnostic tools, health monitoring bands, sports watches
  • Automotive and Instrument Interfaces: electronic dials, auxiliary instrument clusters, rotary displays
  • Audio and Consumer Devices: digital tuners, audio rotary displays, Hi-Fi audio control interfaces

 

DRAWING

SPECIFICATIONS

General Specifications

ItemDimensionUnit
Size 1.28 inch
Dot Matrix 240 × RGB × 240 (TFT) dots
Module dimension 35.6 × 37.74 × 1.48 mm
Active Area 32.4 × 32.4 mm
Pixel Pitch 0.135 × 0.135 mm
LCD type TFT, Normally Black, Transmissive
Viewing Angle 85/85/85/85
TFT Interface 8/9/16/18bit MCU
3/4SPI+16/18BIT RGB
3/4 Serial
Backlight Type LED, Normally White
Driver IC GC9A01
Touch Panel Without Touch Panel
Surface Anti-Glare

 

Absolute Maximum Ratings

ItemSymbolMinTypMaxUnit
Operating Temperature TOP -20 +70
Storage Temperature TST -30 +80

 

Electrical Characteristics

Operating conditions

ItemSymbolMin.Typ.Max.Unit
Digital Supply Voltage VCC 2.5 2.8 3.3 V
Digital interface supple Voltage IOVCC 1.65 2.8 3.3 V
Normal mode Current consumption ICC -- 6 12 mA
Level input voltage VIH 0.7*IOVCC -- IOVCC V
VIL GND -- 0.3*IOVCC V
Level output voltage VOH 0.8*IOVCC -- IOVCC V
VOL GND -- 0.2*IOVCC V
 

LED driving conditions

ItemSymbolMin.Typ.Max.Unit
LED current - - 40 - mA
LED voltage VLED+ 2.8 3.0 3.2 V
LED Life Time - 50000 - - Hr

 

Interface

LCM PIN Definition

Pin NoSymbolFunctionI/O
1 VLED+ Anode pin of backlight P
2 VLED* Cathode pin of backlight P
3 GND Ground. P
4 GND Ground. P
5 VCC Supply voltage (2.5-3.3V). P
6 IOVCC Supply voltage (1.65-3.3V). P
7 RESET This signal will reset the device and must be applied to properly
initialize the chip.
I
8 WR(SPI-RS) -Write enable in MCU parallel interface.
Display data/command selection pin in 4-line serial interface.
Second Data lane in 2 data lane serial interface.
-If not used, please fix this pin at IOVCC or GND.
I
9 CS Chip select input pin (“Low” enable ,CSX).
Fix this pin at IOVCC or GND when not in use.
I
10 RS(SPI-SCL) -Display data/command selection pin in parallel interface.(D/CX)
-This pin is used to be serial interface clock. (SCL)
DC=’1’: display data or parameter.
DC=’0’: command data.
-If not used, please fix this pin at IOVCC or GND.
I
11 RD Serves as a read signal and MCU read data at the rising edge.
Fix this pin at IOVCC or GND when not in use.
I
12 PCLK Dot clock signal for RGB interface operation. (DOTCLK)
Fix this pin at IOVCC or GND when not in use.
I
13 DE Data enable signal for RGB interface operation. (ENABLE)
fix this pin at IOVCC or GND when not in use.
I
14 VSYNC Frame synchronizing signal for RGB interface operation.
fix this pin at IOVCC or GND when not in use.
I
15 HSYNC Line synchronizing signal for RGB interface operation.
fix this pin at IOVCC or GND when not in use.
I
16 TE Tearing effect output pin to synchronize MPU to frame writing,
activated by S/W command. When this pin is not activated, this pin is low. If not used, open this pin.
I
17 NC No connection O
18 SDA The data is latched on the rising edge of the SCL signal.
If not used, please fix this pin at IOVCC or GND level
I/O
19-36 DB17-DB0 18-bit parallel bi-directional data bus for MCU system and RGB interface mode .
18-bit RGB
DB0:BLUE LSB--DB5:BLUE MSB;
DB6:GREEN LSB--DB11:GREEN,MSB;
DB12:RED LSB--DB17:RED MSB.
16-bit RGB:
DB1:BLUE LSB--DB5:BLUE MSB;
DB6:GREEN LSB--DB11:GREEN,MSB;
DB13:RED LSB--DB17:RED MSB.
mode Fix to GND level when not in use
I/O
37 IM0 MPU Parallel interface bus and serial interface select If use RGB Interface must select serial interface.
Fix this pin at IOVCC and GND.
I
38 IM1
39 IM3
 

MCU interface SET for IM PINS

IM3IM1IM0Interface TypeDB Pin in use
L L L 8080 MCU 8-bit bus interface DB7-DB0
L H L 8080 MCU 16-bit bus interface DB15- DB0
L L H 8080 MCU 9-bit bus interface DB8- DB0
L H H 8080 MCU 18-bit bus interface DB17- DB0
H L H 3-wire 9-bit data serial interface SDA:In/Out
2 data line serial interface SDA:In/Out,DCX:In
H H H 4-wire 8-bit data serial interface SDA:In/Out
Specifiche di prodotto
Brand Winstar
Size 1.28"
Risoluzione 240x240
Area Attiva (mm) 32.40x32.40
Colore Full Color
Interfaccia Display MCU (RGB/Parallel/SPI)
Display IC GC9A01
Angolo Visione IPS
Frame No
Touch Panel No touch
Temperatura O. (°C) -20~70
Connessione Display FPC for ZIF Connector
Nr. Pin 39
Passo Pin 0.3mm
Preferred - Not Preferred Preferred
Download
Specifiche di prodotto
Brand Winstar
Size 1.28"
Risoluzione 240x240
Area Attiva (mm) 32.40x32.40
Colore Full Color
Interfaccia Display MCU (RGB/Parallel/SPI)
Display IC GC9A01
Angolo Visione IPS
Frame No
Touch Panel No touch
Temperatura O. (°C) -20~70
Connessione Display FPC for ZIF Connector
Nr. Pin 39
Passo Pin 0.3mm
Preferred - Not Preferred Preferred
Ultimi prodotti visti